Web Analytics
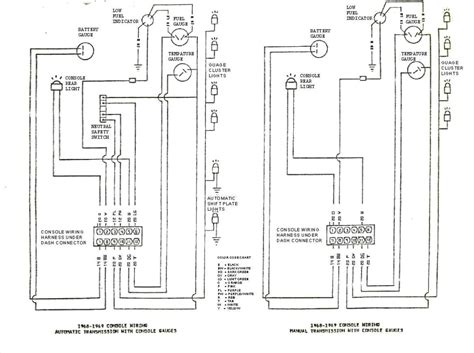
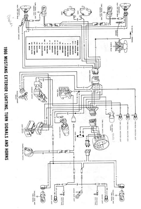
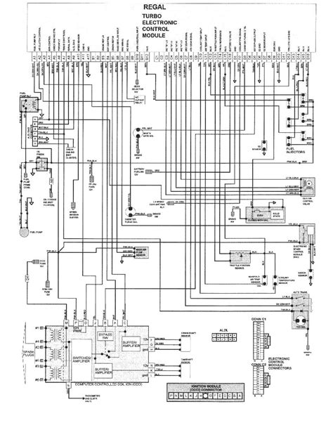
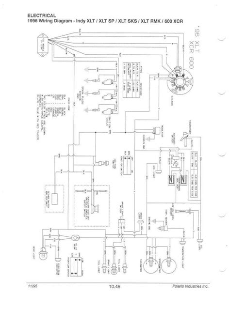
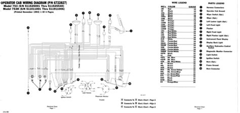
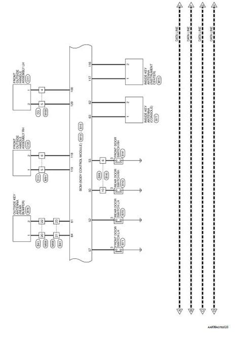
1971 Pontiac Firebird Wiring Diagram: Revive Your Muscle Car!

1971 Pontiac Firebird Wiring Diagram: Revive Your Muscle Car!

1971 Pontiac Firebird Wiring Diagram: Revive Your Muscle Car! 89 pontiac firebird wiring diagram schematic